• 头条三相双有源桥式直流变换器建模与控制方法
    2021-04-10 作者:宋胜利 李卓强 等  |  来源:《电工技术学报》  |  点击率:
    分享到:
    导语作为一种隔离型双向直流变换器,三相双有源桥式直流变换器具有电气隔离、高功率密度、宽电压传输范围和易于实现软开关等优点。 国家电网有限公司、西安交通大学电气工程学院、国网宁夏电科院、国网经济技术研究院有限公司的研究人员宋胜利、李卓强、姚志、陈东、许景慧,在2019年《电工技术学报》增刊2上撰文,对三相DAB直流变换器的建模和控制方法进行研究,改善了变换器的效率及其运行特性。 实验结果表明,当输出电压指令v2ref从60V突变至80V时,传统的闭环方法需要31ms恢复稳定,所提闭环控制方法18ms就可以重新达到稳定状态稳定运行,大大加快了系统的动态响应。

    近年来,随着科学技术的发展和工业现场的需要,越来越多的功率变换器需要实现能量双向流动的功能。双向直流变换器(Bidirectional DC-DC Converter, BDC)作为连接两个直流母线的桥梁,因在直流系统中起到至关重要的作用而受到越来越多学者的关注和研究。

    双有源桥(Dual Active Bridge, DAB)直流变换器就是其中一种应用在大功率场合的双向DC-DC变换器。1991年,德国亚琛工业大学的R. W. De Doncker教授提出三相DAB直流变换器,这种拓扑结构在提出后的十几年时间里并没有成为电力电子领域研究的热点,但是随着大功率和高功率密度应用场合的增多以及电力电子器件和相关技术的不断发展,三相DAB直流变换器逐渐成为近年来研究的热点。国内外学者对于三相DAB直流变换器的主要研究方向集中于电路拓扑、调制策略、建模和控制方法等方面。

    为了分析变换器的动态特性和设计闭环控制器,需要建立三相DAB直流变换器精确的动态模型。状态空间平均法(State Space Averaging, SSA)能够准确反映变换器的工作过程,该方法提出以来在变换器建模领域取得很大的成功。然而,由于在稳态运行时三相DAB直流变换器的三相电感电流是纯交流量,不满足小纹波假设,因此不能使用状态空间平均法对其进行建模。

    为了解决这一问题,有学者提出了状态空间平均建模方法(State- Variable Averaging and State-Space Averaging, SVA- SSA)。这种方法可以将变换器的阶数从四阶降为一阶,但是需要对每种可能的开关模式进行讨论建模,因此无法得到统一的建模结果。

    有学者提出的基频近似法(First-Harmonic Approximation, FHA)只考虑了控制变量和状态变量的基频成分,利用相量或空间矢量对变换器的大信号变量进行表示,虽易于判断变换器零电压开关(Zero Voltage Switching, ZVS)的实现情况,但是由于忽略了其他频次成分,所以当引入占空比作为控制变量时,FHA的建模精度较低。

    传统的三相DAB直流变换器调制策略是单移相调制策略,该调制方法简单且易于实现,但会造成其在折算后两侧直流电压比值远离于1的情况,尤其是负载较轻时会导致DAB的效率较低。为了解决该问题,目前主要的方法是:降低由回流功率所引起的通态损耗,从而提高三相DAB直流变换器效率。

    为此,已有相关文献提出了双重移相(Dual- Phase-Shift, DPS)控制和扩展移相(Extend- Phase-Shift, EPS)控制以及三重移相控制方式(Triple-Phase-Shift, TPS)控制策略,即在单移相控制的基础上,在两侧有源桥增加本身内移相控制,从而减小这段时间间隔。

    根据相关学者分析可知,实际上EPS(或DPS)调制策略是TPS调制策略的一个特殊情况。但是,针对TPS控制下的最优控制量计算和选取问题,以上文献均没有给出详细的求解方法,而且,所设计的闭环控制结构常采用固定限幅,当目标值发生较大突变时,系统动态特性较差。

    针对以上存在的问题,国家电网有限公司、西安交通大学电气工程学院等单位的研究人员,在分析了三相DAB直流变换器TPS调制策略下工作特性的基础上,采用电流有效值优化调制策略,使用多频分量法表示状态变量并应用内点法来求解出最优的控制变量组;然后,运用二阶广义状态空间平均法对三相DAB直流变换器进行建模,基于所采用的电流有效值优化调制策略,提出一种加入优化限幅模块的闭环控制方法;最后,采用Matlab/Simulink和PLECS联合仿真对二阶广义状态空间平均模型与有学者提到的SVA-SSA模型进行对比,得出二阶广义状态空间平均模型精确性更高的结论。通过搭建一个1.1kW的三相DAB直流变换器实验平台,验证了所提的闭环控制方法能够有效地加快系统的动态响应速度。

    三相双有源桥式直流变换器建模与控制方法

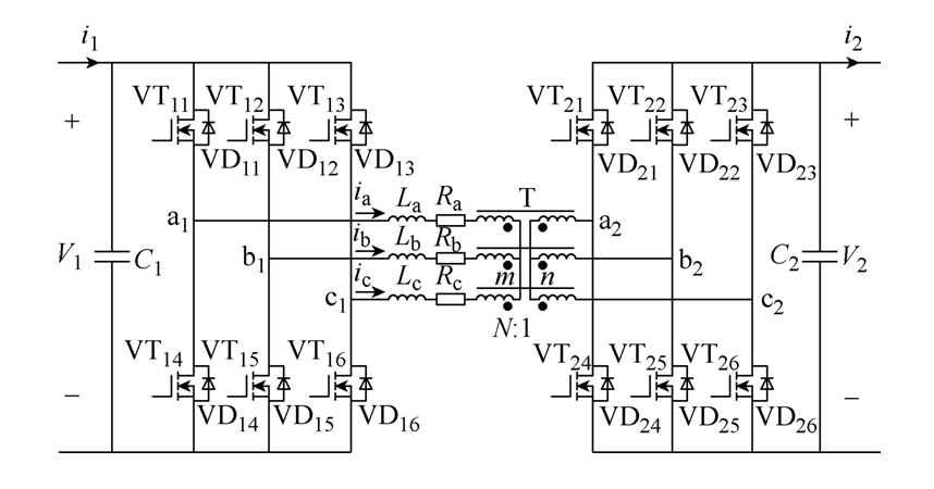
    图1 变换器的拓扑结构

    三相双有源桥式直流变换器建模与控制方法

    图2 电流有效值优化调制策略下的变换器闭环控制框图

    最后,研究人员将工作总结为以下几个方面:

    • 1)建立了三相DAB直流变换器的广义状态空间平均模型。相比于其他建模方式,二阶广义状态空间平均模型保留了电感电流各频次的分量,其精度相对较高;所建立的统一小信号动态模型,适用于该变换器的所有调制策略。
    • 2)提出了基于内点法优化限幅的电流有效值优化调制策略。通过仿真和实验,验证了该控制方法稳定运行且有效地实现所提出的优化调制策略;提高了三相DAB直流变换器在闭环控制中动态响应速度。

    以上研究成果发表在2019年《电工技术学报》增刊2,论文标题为“三相双有源桥式直流变换器建模与控制方法”,作者为宋胜利、李卓强、姚志、陈东、许景慧。